
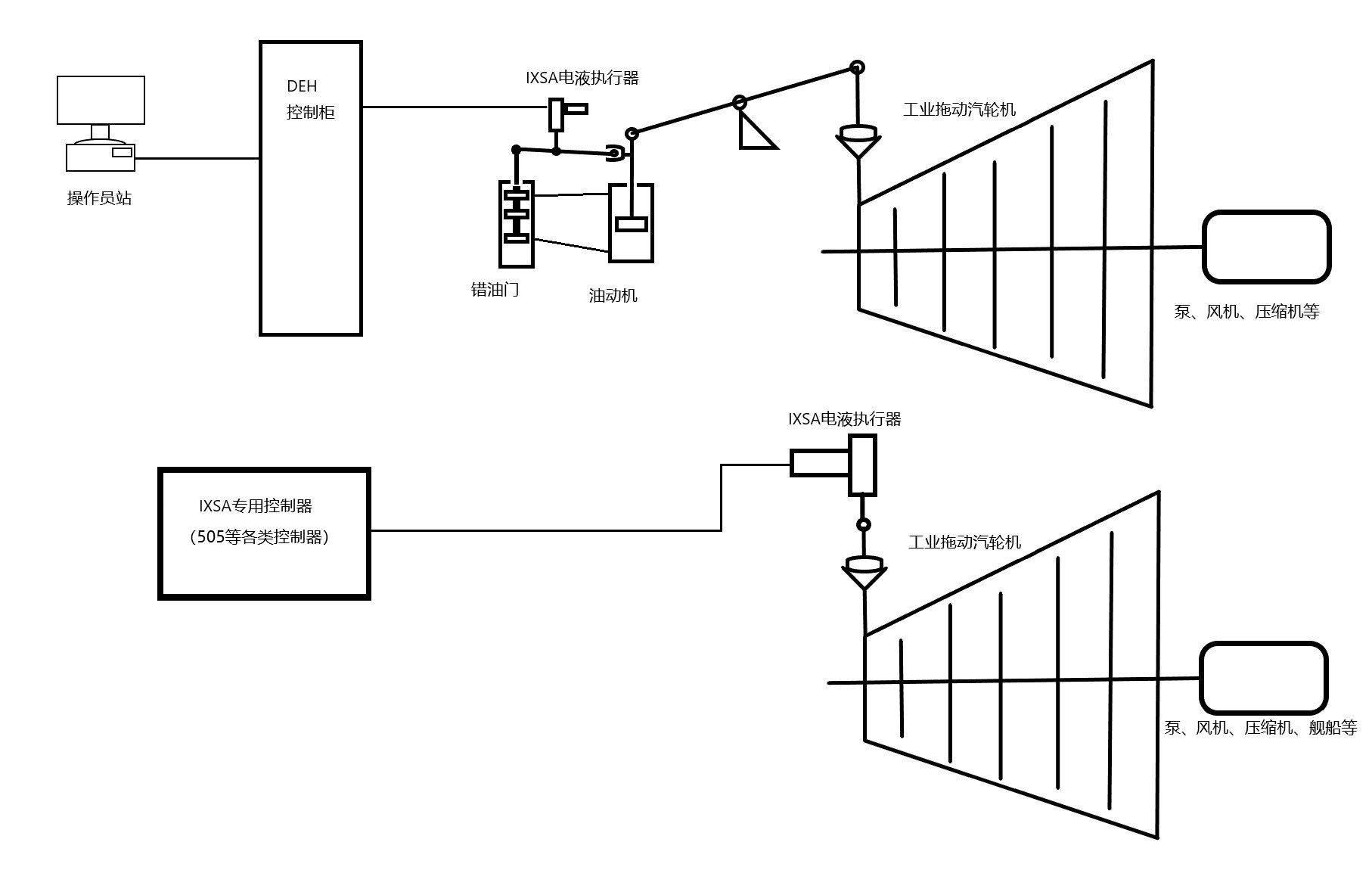
MEH工业汽轮机系统示意图
自容式电液执行器MEH小机电调系统
传统电调以电液伺服阀为转换装置组成伺服系统,伺服阀将电气信号转换为液压输出,驱动调节汽阀完成调节过程。通常采用的各类伺服阀均需要外供油源,油液易污染,对油质的要求相对较高,油质稍有变化便会导致系统崩溃,已是系统运行可靠性的薄弱环节。
自容式执行器型智能电液伺服系统以自容式执行器为转换装置,将电气信号转换为大力矩输出,通过力驱动执行机构驱动调节汽阀,或者直接驱动调节汽阀完成调节过程,是一种新型高可靠性伺服电调系统。
一、系统控制功能
(1)锅炉给水流量控制:接受锅炉给水自动控制系统指令,进行转速自动控制,以满足锅炉给水要求;
(2)机组转速控制:启动升速控制、机组正常运行转速控制;
(3)保护功能:超速保护功能、机组保护功能;
(4)试验功能:超速保护试验,汽门严密性试验;
(5)运行参数的显示、诊断、报警功能;
(6)仿真试验功能:系统功能调试、操作培训的离线仿真试验。
二、系统特点:
(1)系统仅需动力油源,无需液压控制工质传递控制信号,为无液压控制工质的电液伺服系统,使系统具有较高的抗油质污染能力;
(2)采用力驱动执行机构、机械力传递控制信号,为刚性结构的力平衡杠杆机构为驱动系统,使系统具有较高的抗油源干扰能力和超强稳定性;
(3)由于为刚性结构,系统定位精度高, 且定位精度不受机械磨擦、油压、油质的影响(力平衡机构,单向受力);
(4)采用智能化功能设计,可适应不同被控对象的各种功能要求;
(5)具有调节、速动开启或速动关闭、系统故障自诊断等功能;
(6)当控制器故障或控制系统失电时,该伺服系统具有自动保位功能,可保持当前转速,也可就地手动摇动手轮来控制转速,此时,当停机指令下达时,仍然具备保护功能,可快速关阀停机,并可实现执行器的在线维修或更换;
(7)结构简单,安装、维护、调试方便(最快1天内可完成安装与调试)。
(8)采用4~20mA标准控制信号,无需功率放大环节,易于接受任何控制系统的控制信号。