
200MW机组DEH集控室场景

200MW机组采用执行器无控制工质DEH系统应用现场

DEH操作画面
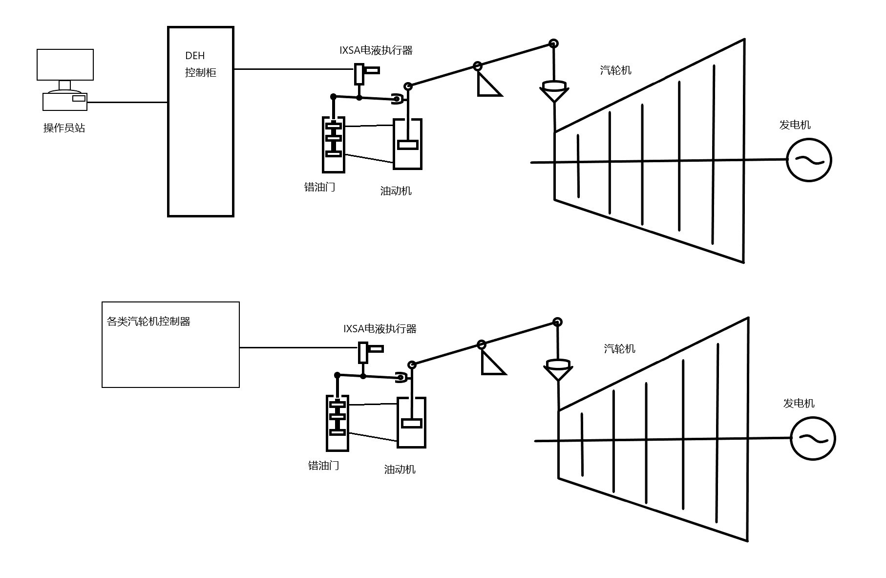
自容式电液执行器无控制工质电调系统
传统电调以电液伺服阀为转换装置组成伺服系统,伺服阀将电气信号转换为液压输出,驱动调节汽阀完成调节过程。通常采用的各类伺服阀均需要外供油源,油液易污染,对油质的要求相对较高,油质稍有变化便会导致系统崩溃,已是系统运行可靠性的薄弱环节。
自容式执行器型电液伺服系统以自容式电液执行器为转换装置,将电气信号转换为大力矩输出,通过力驱动执行机构驱动调节汽阀,或者电液转换器直接驱动调节汽阀完成调节过程,是一种新型高可靠性伺服电调系统。
一、系统控制功能
(1)机组转速控制:机组起动和升降转速控制;
(2)机组功率控制:机组升降负荷和稳定负荷控制;
(3)可调整抽汽压力控制:以热定电、以电定热、热电牵连调节(抽汽机组);
(4)背压控制:背压压力控制(背压机组);
(5)同期控制:接受同期信号,实现机组并网控制;
(6)初始负荷控制:机组并网瞬间设置初始负荷,以避免逆功率运行;
(7)一次调频功能:参与电网一次调频,孤网运行;
(8)电网自动发电控制(AGC):接受电网调度负荷指令,实现机组发电控制;
(9)机组手动或自动快速减负荷功能(RB):重要辅机故障,实现机组快速减负荷控制;
(10)协调控制(CCS):接受机组协调控制指令,实现机跟炉、炉跟机、机炉协调控制;
(11)远方挂闸和开主汽门。
二、性能指标
转速调节范围:50 r/min ~3500r/min;
转速控制精度:≯±0.1%额定转速;
负荷控制范围:0~110%额定负荷;
负荷控制精度:≯±0.5%;
背压、抽汽控制精度:≯±0.05MPa;
转速不等率: 3%~6%可调;
甩负荷转速最大超调量:≯8%。
三、系统特点:
(1)系统仅需动力油源,无需液压控制工质传递控制信号,为无液压控制工质的电液伺服系统,使系统具有较高的抗油质污染能力;
(2)采用力驱动执行机构、机械力传递控制信号,形成刚性结构的力平衡杠杆机构驱动系统,使系统具有较高的抗油源干扰能力和超强稳定性;
(3)由于其刚性结构,系统定位精度高, 且定位精度不受机械磨擦、油压、油质的影响(力平衡机构,单向受力);
(4)采用智能化功能设计,可适应不同被控对象的各种功能要求;
(5)具有调节、速动开启或速动关闭、系统故障自诊断等功能;
(6)当控制器故障或控制系统失电时,该伺服系统具有自动保位功能,可保持当前转速,也可就地手动摇动手轮来控制转速,此时,当停机指令下达时,仍然具备保护功能,可快速关阀停机,并可实现执行器的在线维修或更换;
(7)结构简单,安装、维护、调试方便(最快1天内可完成安装与调试)。
(8)采用4~20mA标准控制信号,无需功率放大环节,易于接受任何控制系统的控制信号。

DEH电调系统示意图